新乡市利菲尔特滤器股份有限公司
400-0089-277

主页 > 产品板块 > 油品净化板块 > 军工行业过滤器 >

军工行业过滤器 产品简介 性能与特点 技术参数 链接尺寸 现场直击 客户案例

产品简介

军工行业过滤器

军工行业过滤器

YPM,YPH系列压力管路过滤器采用优质不锈钢制造,内筒为不锈钢薄板冲孔成形滤筒,紧配丝网结构,活节连接,拆卸清洗方便。这种广泛适用于啤酒、CIP清洗液的过滤,可根据用户实际使用情况,选用20-100目不锈钢丝网配套。该管路过滤器是管道输送液体过程中清除固体杂质的设备,当液体流经油过滤器时,其中的杂质被滤出,可保护机泵、压缩机、仪表和其它设备正常工作。当需要清洗时,只要将可拆卸的滤筒取出,去除滤出的杂质后,重新装入即可,使用维护极为方便。

应用范围 广泛应用于军工行业、重型机械、矿山机械、冶金机械等液压系统。
过滤介质 矿物油、乳化液、水-乙二醇、磷酸酯液压液中的固体颗粒及胶状物质
咨询电话 400-0089-277

性能与特点

1、 与同等流量过滤器相比,结构紧凑体积小。

2、 使用压力范围宽。

3、 换滤芯方便,用户可根据安装空间,打幵上盖,更换滤芯,也可旋下外壳(先放油)从下面取下滤芯。

4、 安装固定方便:如用户按标准流向安装有困难时可拆下盖上4个螺钉,把盖转动180度。这样就改变了介质流动方向。

5、 该过滤器设有旁通阀和压差发讯装置,双重保护功能。当滤芯污染堵塞至进出口压差值为发讯器调定值时,发讯器发讯,此时必须更换滤芯。

技术参数

过滤精度(μm):0.0001 工作压力(max):42MPa

工作温度:-25℃~110℃ 发讯器发讯压差:0.7MPa

可根据不同工况情况定制

型号 公称流量
Flow rate
(L/min)
过滤精度
Filtr.
(μm)
公称压力
(MPa)
压力损失
Iniaitl.△P
(MPa)
发讯器功率
(V/W)
滤芯型号 连接方式
Initial Max.
PLF - 30 x *P 30 3
5
10
20
H=32
E=16
C=6.3
<=0.07 0.5 24V/48W
220V/50W
PLFX-30-X* 管式
PLF - Ο 60 X *P 60 LH0060D*BN3HC
PLF-Ο 110x*P 110 LH0110D*BN3HC
PLF-Ο 160x*P 160 LH0160D*BN3HC
PLF-Ο 240x*FP 240 LH0240D*BN3HC 法兰式
PLF-Ο 330 x*FP 330 LH0330D*BN3HC
PLF-Ο 500 x*FP 500 LH0500D*BN3HC
PLF-Ο 660x*FP 660 LH0660D*BN3HC

注:*为过滤精度。使用介质为水一乙二醇,使用压力32MPa,公称流量60L/min,过滤精度10μm,带发讯器。则过滤器型号为PLFΟBH-H60 x 10P,滤芯型号为 LH0060D010BN3HC

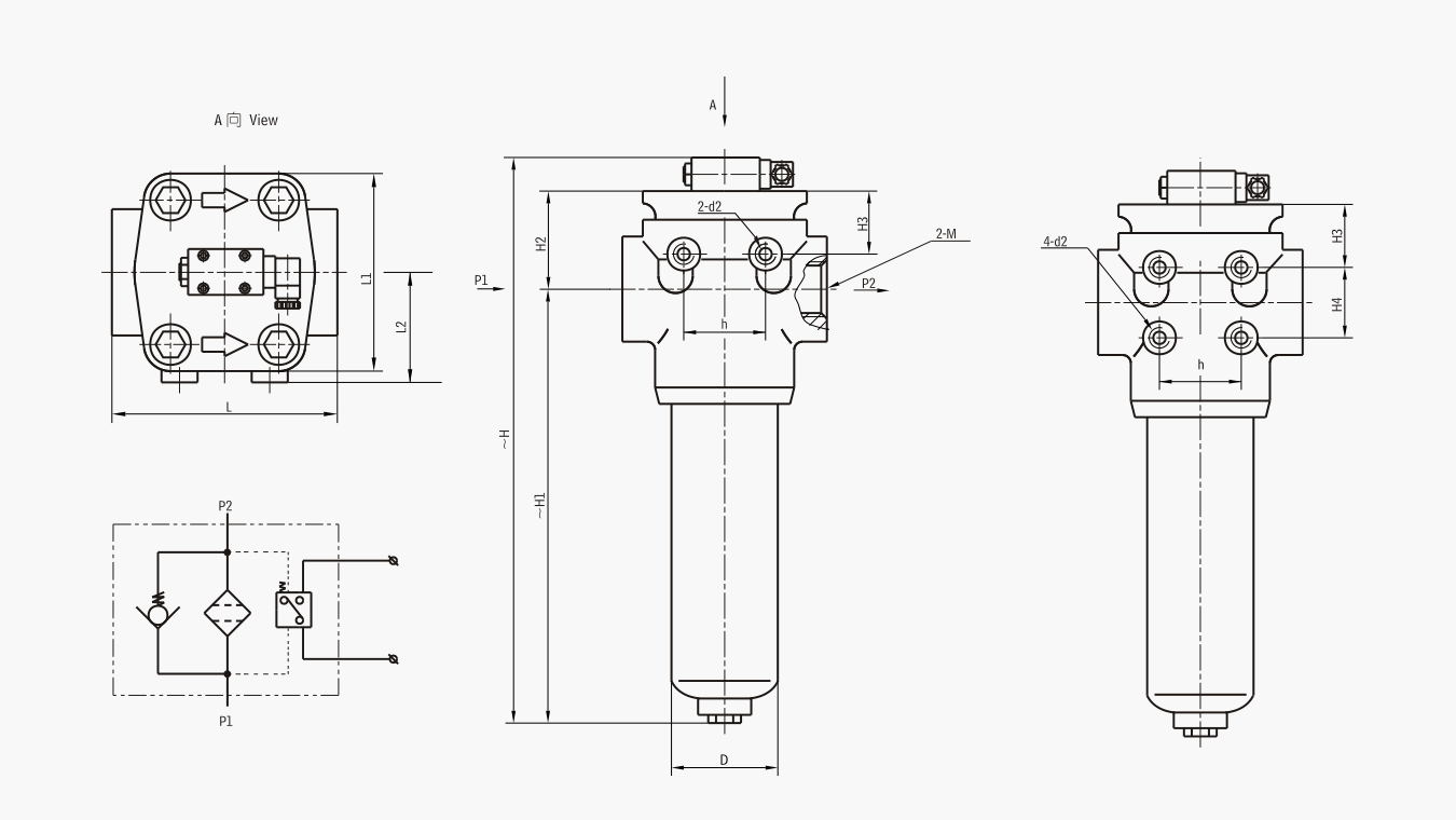
链接尺寸

一、管式

管式连接尺寸

1、32MPa压力管路过滤器

型号
Model
尺 寸 Size (mm)
~H ~H1 H2 H3 H4 h L L1 L2 D M d2
PLF-H30 x *P 239 146 58 45 35 118 114 69 73 2 - M33 x 2 2-M10
PLF-H60 X *P 255 162 58 45 35 118 114 69 73 2 - M33 x 2 2-M10
PLF-H110x*P 329 236 58 45 35 118 114 69 73 2-M42x2 2-M10
PLF-H160x*P 319 215 69 49 45 50 150 140 82 102 2-M48X2 4-M10

2、16MPa 压力管路过滤器

型号
Model
尺 寸 Size (mm)
~H ~H1 H2 H3 H4 h L L1 L2 D M d2
PLF-E30 x *P 223 136 52 39 35 110 100 62 73 2 - M33 x 2 2-M10
PLF-E60 X *P 239 152 52 39 35 110 100 62 73 2 - M33 x 2 2-M10
PLF-E110x*P 308 221 52 39 35 110 100 62 73 2-M42x2 2-M10
PLF-E160x*P 294 196 63 43 45 45 140 130 77 95 2-M48x2 4-M10

3、6.3MPa压力管路过滤器

型号
Model
尺 寸 Size (mm)
~H ~H1 H2 H3 H4 h L L1 L2 D M d2
PLF - C30 X *P 223 136 52 39 35 110 88 56 73 2 - M33 x 2 2-M10
PLF - C60 x *P 239 152 52 39 35 110 88 56 73 2 - M33 x 2 2-M10
PLF - C110 x *P 308 221 52 39 35 110 88 56 73 2-M42x2 2-M10
PLF - C160 X *P 290 196 59 39 45 45 140 114 69 95 2-M48x2 2-M10

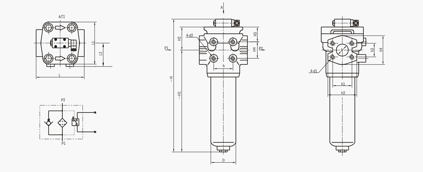
二、法兰式

法兰式连接

1、32MPa压力管路过滤器

型号
Model
尺 寸 Size (mm)
~H ~H1 H2 H4 H5 h h1 h2 h3 h4 L L1 L2 D d d1 d2
PLF-H242 x *FP 377 273 69 45 49 50 79.4 ±0.25 110 36.5 ±0.25 90 150 140 82 102 2-Φ38 4-M16 4-M10
PLF-H333 x *FP 400 277 88 60 63 80 96.8 ±0.25 130 44.5 土 0.25 110 190 180 108 146 2-Φ51 4-M20 4-M12
PLF-H500 x *FP 493 370 88 60 63 80 96.8 ±0.25 130 44.5 土 0.25 110 190 180 108 146 2-Φ51 4-M20 4-M12
PLF-H666 x *FP 567 444 88 60 63 80 96.8 ±0.25 130 44.5 土 0.25 110 190 180 108 146 2-Φ51 4-M20 4-M12

2、16MPa 压力管路过滤器

型号
Model
尺 寸 Size (mm)
~H ~H1 H2 H4 H5 h h1 h2 h3 h4 L L1 L2 D d d1 d2
PLF-E240 x *FP 352 254 63 45 43 45 69.9 ±0.25 94 35.7 ±0.25 82 140 130 77 95 2-Φ38 4-M12 4-M10
PLF-E330 x *FP 368 257 76 55 56 75 77.8 ±0.25 102 42.9 土 0.25 96 180 164 100 140 2-Φ51 4-M12 4-M12
PLF-E500 x *FP 461 350 76 55 56 75 77.8 ±0.25 102 42.9 土 0.25 96 180 164 100 140 2-Φ51 4-M12 4-M12
PLF-E660 x *FP 535 424 76 55 56 75 77.8 ±0.25 102 42.9 土 0.25 96 180 164 100 140 2-Φ51 4-M12 4-M12

3、6.3MPa压力管路过滤器

型号
Model
尺 寸 Size (mm)
~H ~H1 H2 H4 H5 h h1 h2 h3 h4 L L1 L2 D d d1 d2
PLF-C240x*FP 348 254 59 45 39 45 69.9 ±0.25 94 35.7 ±0.25 82 140 114 69 95 2-Φ38 4-M12 4-M12
PLF-C330x*FP 350 249 66 55 46 65 77.8 ±0.25 102 42.9 ±0.25 96 180 144 90 133 2-Φ51 4-M12 4-M12
PLF-C500x*FP 443 342 66 55 46 65 77.8 ±0.25 102 42.9 ±0.25 96 180 144 90 133 2-Φ51 4-M12 4-M12
PLF-C660x*FP 517 416 66 55 46 65 77.8 ±0.25 102 42.9 ±0.25 96 180 144 90 133 2-Φ51 4-M12 4-M12

现场直击

  • 细节展示

  • 视频

  • 军工行业过滤器细节展示1 军工行业过滤器细节展示2 军工行业过滤器细节展示3 军工行业过滤器细节展示4 军工行业过滤器细节展示5

客户案例

  • 双筒油过滤器案例
    双筒油过滤器案例

    用途:液压油过滤流量:1000t/h

  • 压力管路过滤器客户现场
    压力管路过滤器客户现场

    用途:液压油过滤流量:200t/h

  • 机械加工行业过滤现场
    机械加工行业过滤现场

    用途:油过滤流量:100t/h

定制服务流程

根据不同工况,提供定制服务

在线
咨询

客服热线400-0089-277

AI-icon