定制服務流程
根據不同工況,提供定制服務
DFB pressure filter for plated Connection series
過濾精度高通油能力大納污量大
用/戶/可/根/據/實/際/工/況/定/制/
機械加工設備冶金
石化紡織
電子及制藥
主頁 > 產品板塊 > 油品凈化板塊 > 液壓油過濾器 > DFB系列高壓板式過濾器 >
該高壓板式過濾器可直接安裝系統的閥塊上,用于逬一步清除或阻擋由于外界侵入或元件工作時磨損,所產生的雜質。特別適用自動控制系統和伺服系統。它可防止高精度的控制元件和執行元件由于污染而過早磨損或卡死,從而可減少故障,延長元件使用壽命。
該過濾器設有壓差發訊器,當濾芯被污染堵塞到進出油口壓差為0.5MPa時,即發出開關信號,此時應清洗或更換濾芯,此達到保證系統安裝的目的。
| 應用范圍 | 廣泛應用于重型機械、礦山機械、冶金機械等液壓系統。 |
| 過濾介質 | 液壓油中水和乙二醇等 |
| 咨詢電話 | 400-0089-277 |
性能與特點
該過濾器與傳統過濾器相比具有安裝結構緊湊,體積小的特點,且濾芯采用逬口玻璃纖維濾材,具有過濾精度高,通油能力強,原始壓力小,納污量大等優點。 過濾精度以絕對過濾精度標定,其過濾比β 3、5、10、20N200過濾效率n≥99.5%。 符合ISO標準。
技術參數
| 型號 | 通徑 Dia. (mm) |
公稱流量 Flow rate (L/min) |
過濾精度 Filtr. (μm) |
公稱壓力 (MPa) |
壓力損失 Iniaitl.△P (MPa) |
發訊器功率 (V/W) |
濾芯型號 | 進出油口 0形圈 |
|
|---|---|---|---|---|---|---|---|---|---|
| Initial | Max. | ||||||||
| DFB-H30 x *C | 16 | 30 | 3 5 10 20 30 |
32 | <=0.01 | 0.5 | 220V/50W | LH0030D*BN3HC | 24x2.4 |
| DFB-H60 x *C | 20 | 60 | LH0060D*BN3HC | 32x3.1 | |||||
| DFB-H110 x *C | 110 | LH0110D*BN3HC | |||||||
| DFB-H160 x *C | 32 | 160 | LH0160D*BN3HC | 40x3.1 | |||||
| DFB-H240 x *C | 240 | LH0240D*BN3HC | |||||||
| DFB-H330 X *C | 330 | LH0330D*BN3HC | |||||||
| DFB-H500 X *C | 500 | LH0500D*BN3HC | |||||||
| DFB-H660 X *C | 660 | LH0660D*BN3HC | |||||||
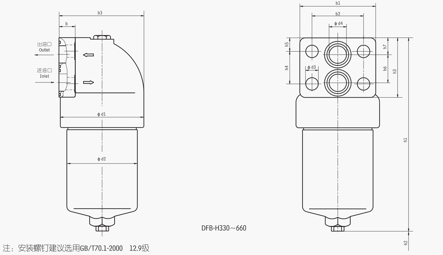
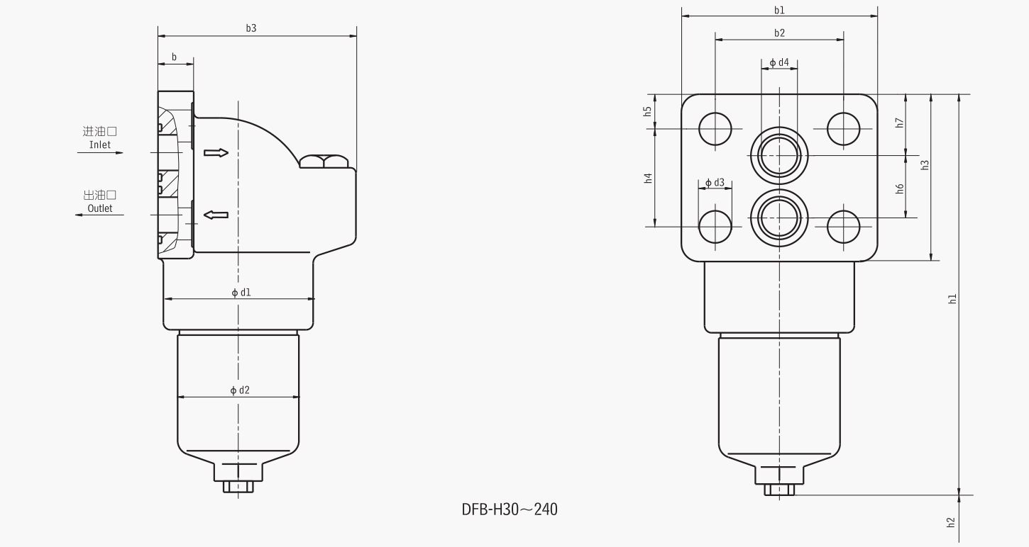
鏈接尺寸
| 型號 Model |
尺 寸 Size (mm) | ||||||||||||||
|---|---|---|---|---|---|---|---|---|---|---|---|---|---|---|---|
| Φd1 | Φd2 | Φd3 | Φd4 | b | b1 | b2 | b3 | h1 | h2 | h3 | h4 | h5 | h6 | h7 | |
| DFB-H30x*C | 67 | 54 | 12 | 16 | 18 | 80 | 57 | 94 | 210 | 75 | 76 | 45 | 15.5 | 28 | 30.5 |
| DFB-H60x*C | 92 | 73 | 18 | 20 | 20 | 110 | 72 | 115 | 240 | 75 | 94 | 55 | 19.5 | 35 | 34.5 |
| DFB-H110x*C | 92 | 73 | 18 | 20 | 20 | 110 | 72 | 115 | 309 | 75 | 94 | 55 | 19.5 | 35 | 34.5 |
| DFB-H160x*C | 124 | 102 | 22 | 32 | 30 | 140 | 95 | 153 | 293 | 85 | 110 | 60 | 25 | 52 | 31 |
| DFB-H240x*C | 124 | 102 | 22 | 32 | 30 | 140 | 95 | 153 | 351 | 85 | 110 | 60 | 25 | 52 | 31 |
| DFB-H330x*C | 170 | 146 | 22 | 32 | 30 | 140 | 95 | 172 | 372 | 115 | 110 | 58 | 26 | 52 | 32 |
| DFB-H500x*C | 170 | 146 | 22 | 32 | 30 | 140 | 95 | 172 | 454 | 115 | 110 | 58 | 26 | 52 | 32 |
| DFB-H660x*C | 170 | 146 | 22 | 32 | 30 | 140 | 95 | 172 | 528 | 115 | 110 | 58 | 26 | 52 | 32 |
現場直擊
產品實拍
視頻
客戶案例
用途:液壓油過濾流量:1000t/h
用途:液壓油過濾流量:200t/h
用途:油過濾流量:100t/h